

储能逆变器
-
行业需求
-
行业应用方案
-
产品选型推荐
行业需求
IGBT 模块作为储能逆变器中的核心组件,扮演着至关重要的角色。其出色的电力转换效率、高可靠性和长寿命特性,为储能逆变器提供了稳定、高效的电能转换能力,从而确保了储能系统的稳定运行和能源的有效利用。随着储能技术的不断进步和市场的快速发展,储能逆变器行业对功率 IGBT 模块的需求将持续增长,推动两者之间的协同发展。
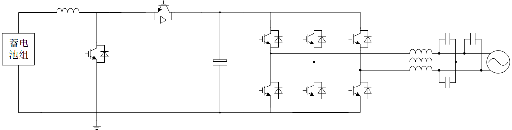
行业应用方案
拓扑结构
产品选型推荐
型号 | 电压(V) | 电流(A) | 封装 | 拓扑 |
MMG150B065PD6TC | 650 | 150 | GB | PD |
MMG450WB120B6TC | 1200 | 450 | GWB | B |
MMG600WB120B6T6 | 1200 | 600 | GWB | B |
MMG300WB120TLB6TC | 1200 | 300 | GWB | TLB |
MMG300WB120TLA6TC | 1200 | 300 | GWB | TLA |
MMG150CE065PD6TC | 650 | 150 | GCE | PD |
MMG150CE065PD6T6 | 650 | 150 | GCE | PD |
MMG200CE065PD6T5 | 650 | 200 | GCE | PD |
MMG560WQ120BF6T7 | 1200 | 560 | GWQ | BF |
MM75G3T65B | 650 | 75 | TO-247-3L | / |
MM120G3T65BM | 650 | 120 | TO-247 Plus-3L | / |
MM15G3T120B | 1200 | 15 | TO-247-3L | / |
MM25G3T120B | 1200 | 25 | TO-247-3L | / |
MM40G3T120B | 1200 | 40 | TO-247-3L | / |
MM50G3T120BM | 1200 | 50 | TO-247 Plus-3L | / |
MM40G3U65B | 650 | 40 | TO-247-3L | / |
MM50GBU65B | 650 | 50 | TO-247-3L | / |
MM60G3U65B | 650 | 60 | TO-247-3L | / |
MM25G3U120BX | 1200 | 25 | TO-247-3L | / |
MM40G3U120BX | 1200 | 40 | TO-247-3L | / |
MM50G3U120BMX | 1200 | 50 | TO-247 Plus-3L | / |
MM75G5U65BX | 650 | 75 | TO-247-3L | / |
MM75G5U65BKX | 650 | 75 | TO-247-4L | / |
MM40G5U120BX | 1200 | 40 | TO-247-3L | / |
MM75G5U120BM | 1200 | 75 | TO-247 Plus-3L | / |
MM75G5U120BKM | 1200 | 75 | TO-247 Plus-4L | / |
MM75G5T65B | 650 | 75 | TO-247-3L | / |
MM100G5T65B | 650 | 100 | TO-247-3L | / |
MM140G7U120BKM | 1200 | 140 | TO-247 Plus-4L | / |