暖空系统
-
行业需求
-
行业应用方案
-
产品选型推荐
行业需求
暖通空调(HVAC)系统是指室内或车内负责暖气、通风及空气调节的系统或相关设备。它包括动力机房、冷却水系统、空气处理单元等组成部分。
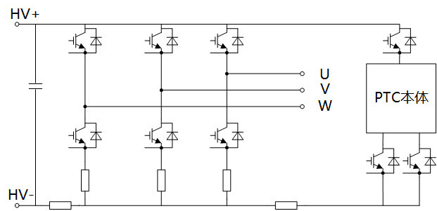
行业应用方案
拓扑结构

产品选型推荐
| 型号 | 电压(V) | 电流(A) | 封装 | 拓扑 |
| MM40G3T120B | 1200 | 40 | TO-247 | / |