胜游亚洲·(中国区)官方网站胜游亚洲

家用电器

家用电器 家用电器

白色家电

  • 行业需求
  • 行业应用方案
  • 产品选型推荐

行业需求

随着现代家庭对高品质生活的追求以及智能家居系统的普及,家用电器行业正经历着前所未有的技术创新与需求增长。在这一发展趋势中,功率半导体器件扮演着举足轻重的角色。作为电能转换与控制的核心组件,功率半导体器件不仅决定了家电产品的能效水平、运行稳定性及使用寿命,还直接影响到产品的智能化程度与响应速度。从高效节能的变频空调、冰箱,到快速加热的智能厨房电器,功率半导体器件的应用极大地丰富了家用电器的功能性与用户体验。因此,随着家电市场对高能效、智能化产品的持续渴求,对高性能、高可靠性功率半导体器件的需求日益迫切,推动了该领域技术的不断进步与产业升级,形成了巨大的市场需求与广阔的发展空间。

行业应用方案

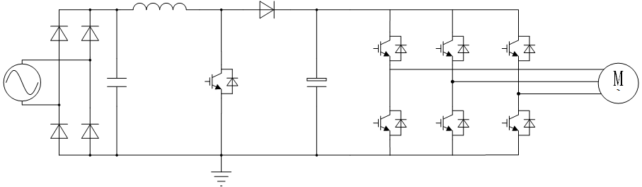
拓扑结构

白色家电拓扑图


产品选型推荐

型号 电压(V) 电流(A) 封装 拓扑
MMG75HE120XB6T7 1200 75 GHE XB
MMG10CB120XB6TC 1200 10 GCB XB
MMG15CB120XB6TC 1200 15 GCB XB
MMG25CE120XB6TC 1200 25 GCE XB
MMG35CE120XB6TC 1200 35 GCE XB
MMG50HD120XB6TC 1200 50 GHD XB
MMG50HD120XT6TC 1200 50 GHD XT
MMG75W120XB6TC 1200 75 GW XB
MMG75WD120XB6TC 1200 75 GWD XB
MM40G3U65B 650 40 TO-247-3L /
MM50GBU65B 650 50 TO-247-3L /
MM60G3U65B 650 60 TO-247-3L /
MM75G5U65BX 650 75 TO-247-3L /
MM75G3T65B 650 75 TO-247-3L /
MM75G5T65B 650 75 TO-247-3L /
MM15G3T120B 1200 15 TO-247-3L /
MM25G3T120B 1200 25 TO-247-3L /
MM40G3T120B 1200 40 TO-247-3L /
MM50G3T120BM 1200 50 TO-247 Plus-3L /
MM75G5U120BM 1200 75 TO-247 Plus-3L /
MM3N150PF 1500 2.5 TO-3PF /
MM15F060K 600 15 TO-220C-2L /
MM15F060K1 600 15 TO-220F-2L /
MM15FU60K 600 15 TO-220 /
MM30FU060B 600 30 TO-247-2L /
MM30FU60K 600 30 TO-220C-2L /
MM30FU060K1 600 30 TO-220F-2L /
MM60F060P 600 60 TO-3PB-2L /
MM60F060B 600 60 TO-247-2L /
MM60FU060B 600 60 TO-247-2L /
MM75F60B 600 75 TO-247-2L /
MM15FU120K 1200 15 TO-220A-2L/TO-220B-2L /
MM30FU120K 1200 30 TO-220A-2L/TO-220B-2L /
MM30FU120B 1200 30 TO-247-2L /
MM30FC120B 1200 30 TO-247-2L /
MM60F120B 1200 60 TO-247-2L /
MM60FU120B 1200 60 TO-247-2L /
胜游亚洲